- 1±Ãów
- 2±ÃówÉwµÄ™Cе¼Ó¹¤¹¤Ë‡ÒŽ³Ì¼°ãŠÆ½Ã湤ˇÑb‚ä
- 3ýX݆ÓͱñÃówµÄ™Cе¼Ó¹¤¹¤Ë‡ÒŽ³Ì¼°¹¤Ë‡ŠA¾ß
- 4P106 Æ«ÐÄÖùÈû±Ã±Ãów
- 5492Q™CÓͱñÃówˆD
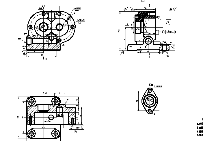
- 62162Ò»±ÃówÇÐÏ÷¹¤Ë‡Õn³ÌÔOÓ‹¡¾CAD+ƒžÐãÕ“ÎÄ
- 72163Ò»±ÃówɰÐÍèTÔ칤ˇÔOÓ‹¡¾2CAD+ƒžÐãÕ“ÎÄ
- 8±Ãów¼Ó¹¤¹¤Ë‡¼°ŠA¾ßÔOÓ‹
- 9ÖùÈû±Ã±Ãów™C¼Ó¹¤¹¤Ë‡¼°ŠA¾ßÔOÓ‹¡¾4sldw+ƒž
- 10±ÃówÁã¼þ¼Ó¹¤¹¤Ë‡¼°Œ£ÓÙC´²ŠA¾ßÔOÓ‹¡¾8CAD
¸ü¶à..ÏàêPÎÄ™n
¸ü¶à..×îÐÂÎÄ™n
- 1œpËÙÆ÷Ïäów¹¤Ë‡ÔOÓ‹£¨ˆD£©®…˜IÔOÓ‹
- 2µ××ùÉw×¢ËÜÄ£¾ß®…˜IÔOÓ‹
- 3ÓΘ˿¨³ßºÐ×¢ËÜÄ£¾ßÔOÓ‹
- 4Òº‰ºˆAåFÆÆËé™C™Cе®…˜IÔOÓ‹
- 5Òº‰ºÏµ½yµÄÔOÓ‹¼°Áã¼þ¼Ó¹¤¹¤Ë‡
- 6ßxÓÃMoldflowÜ›¼þŒ¦ËܼþßMÐÐÄ£¾ßÔOÓ‹µÄƒž»¯·ÖÎö®…˜IÔOÓ‹
- 7®…˜IÔOÓ‹£ºëxºÏÆ÷ÔOÓ‹
- 8®…˜IÔOÓ‹£º»ìºÏ±Û£¨ÕÛ¯B¼ÓÉì¿s£©Ê½¸ß¿Õ×÷˜IƽÅ_±Û¼Üϵ½y
- 9®…˜IÔOÓ‹£¡£¡ƒÈýX݆ãŠýX™CµÄÕfÃ÷•ø
- 10®…˜IÔOÓ‹ Ñõ»¯·´‘ªÆ÷
¸ü¶à..ŸáéTÎÄ™n
- 1T=800_v=0.55_D=300_16¡Á300¡Á10_Vާ_Õ¹é_ʽ¶þ¼‰Ð±ýX_“ÝSÆ÷_朂÷„Ó_“ÝSÆ÷_¸ßϵÍÉÏ
- 2œpËÙÆ÷Ïäów¹¤Ë‡ÔOÓ‹£¨ˆD£©®…˜IÔOÓ‹
- 3CA6140™C´²ºóÍмܼӹ¤¹¤Ë‡¼°ŠA¾ßÔOÓ‹®…˜IÔOÓ‹
- 4CA6140܇´²“ܲæ831002¼Ó¹¤¹¤Ë‡¾ŽÖƼ°ŠA¾ßÔOÓ‹
- 5Òº‰ºÏµ½yµÄÔOÓ‹¼°Áã¼þ¼Ó¹¤¹¤Ë‡
- 62010®…˜IÔOÓ‹ÕfÃ÷•ø--ÝSÉw›_‰ºÄ£¾ßÔOÓ‹
- 7µ××ùÉw×¢ËÜÄ£¾ß®…˜IÔOÓ‹
- 8X6132ÐÍÈfÄÜÅPʽÉý½µÅ_㊴²Ö÷ÝS׃ËÙϵ½yÑbÅäˆD
- 9Òº‰ºˆAåFÆÆËé™C™Cе®…˜IÔOÓ‹
- 10Òº¾§ï@ʾÆ÷Åä¼þ×¢ËÜÄ£

ŸáéTêPæIÔ~£º 

